PHOENIX Robotics Lifting Column
The PHOENIX Robotics lifting column extends the movement range of cobots with a precise vertical axis. It offers maximum stability, easy integration, and high flexibility for collaborative robot applications.
The PHR lifting column is a modular, vertically movable lifting system consisting of three telescopic profile columns. These enable linear height adjustment of assemblies or loads in industrial applications, preferably for cobot robots.
Documents
Need Assistance?
Not sure if this is the right product for your application, or need a custom solution? Contact us today for help from an expert.
Features & Benefits
PHOENIX Robotics – The lifting column for smart cobot applications

The customer was looking for a solution to make material flow in packaging more efficient.
The challenge was to automatically transport packages of different sizes from one station to the next without manual intervention. An operator packs the package, places it down, and sends a signal with the push of a button.
The cobot moves into position on a linear axis, while the Phoenix Robotics lifting column handles the vertical movement. A 3D camera system detects the package size and adjusts the gripper arm accordingly. After picking up the package, it transports it to the next station. If the detected object does not match the expected part, an integrated pattern recognition system identifies this and adjusts the process accordingly.
By using the lifting column, a cost-effective solution was implemented without major mechanical changes to the conveyor system. The lifting column performs the lift that a large robot arm could also achieve, but this option was not feasible due to the narrow conveyor layout.
Who is the lifting column particularly suitable for?
Technical Data
Motor and Encoder
| Condition | Value |
| Voltage | 48 V DC |
Performance Data
| Condition | Value |
| Speed | 125 mm/s (at payload 130 kg) 170 mm/s (at payload 70 kg) |
| Lift | 800 mm |
| Duty cycle | < 40 % / 10 min |
| Accuracy | +/- 1 mm (repeatability up to 0,5 mm) |
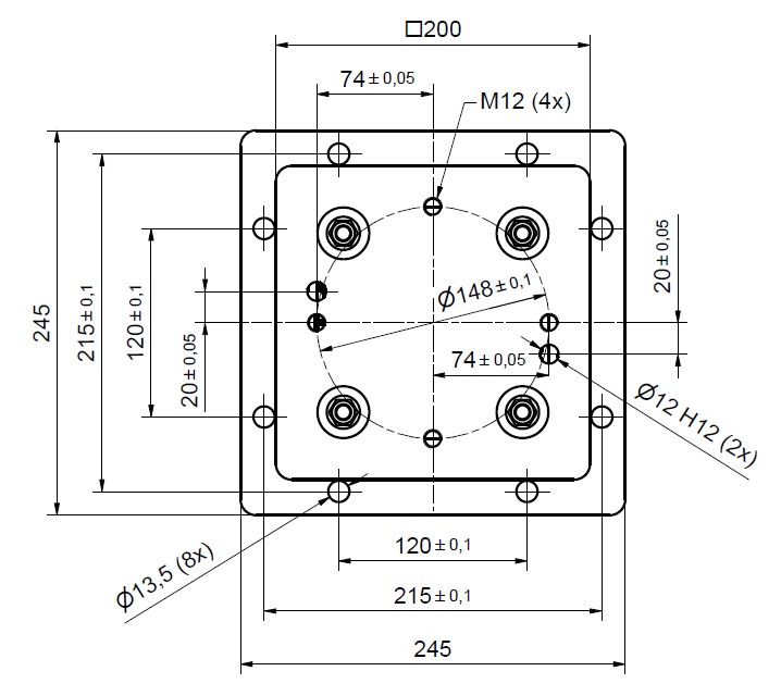
Dimensions and Weight
| PHR70-800 | PHR130-800 | |
| Weight | approx. 50 kg | |
| Base plate dimensions | 200 x 200 mm | |
| Lift | 800 mm | |
| Retracted height | 859 mm | |
| Extended height | 1659 mm | |
| Adapter plate for cobot | depends on Cobot | |
Environmental Conditions
| Condition | Value |
| Ambient temperature | 5 - 45 °C |
| Relative humidity | 75 % 95 % for operation under month |
Drawings
PHOENIX Robotics with ABB
More reach. More flexibility. More efficiency. The video demonstrates how the Phoenix Robotics lifting column operates within a continuous material-flow process, enabling cobots to automate tasks across multiple height levels reliably—without system modifications or large industrial robots.
FAQ
-
What is the Phoenix Robotics Lifting Column?
Phoenix is an industrial-grade lifting column that extends the vertical reach of robots, enabling higher stacks, taller work envelopes, and more flexible cell layouts—especially in palletizing, depalletizing, material handling, and ergonomic workstations.
-
What is the difference between Phoenix, Phoenix Compact, and Phoenix
Robotics?- Phoenix: Heavy-duty lifting column for industrial applications, handling up to 2500 kg loads.
- Phoenix Compact: Slim design for industrial or medical use, up to 130 kg, includes motor and controls but no robotic mounting plate.
- Phoenix Robotics: Designed for robotic integration, up to 130 kg, includes roboticmounting plate, plug-in software, and TCP/IP communication for seamless control.
-
How does Phoenix communicate with my system?
Phoenix uses standard Ethernet TCP/IP, which does not require a license; additional protocols are available upon request.
-
Which robots is it compatible with?
Phoenix offers basic compatibility with all robots (Ethernet TCP/IP), and plug-and-play integration for ABB, FANUC, and Universal Robots (Polyscope X).
-
How easy is it to integrate?
Phoenix Robotics offers plug-and-play integration for ABB, FANUC, and UR (Polyscope X). Connect with lifting column with the robot controller and the lifting column will be recognized immediately. Details can be found in the quick set up guide and instruction manaul.
-
What are the available variants?
- PHR130 (High Load): up to 130 kg at 125 mm/s
- PHR70 (High Speed): up to 70 kg at 170 mm/s
-
What’s the maximum payload?
Up to 130 kg standard (higher loads on request).
-
How fast is it?
Up to 170 mm/s (PHR70 high-speed variant).
-
What stroke lengths are available?
Stroke options: from 680mm to 1400mm. Standard sizes are 680 mm, 800 mm, and 1400 mm. Other strokes on request.
-
How accurate is positioning?
Positioning accuracy ±1 mm; repeatability 0.5 mm.
-
What’s the duty cycle?
40% duty cycle at maximum load and speed.
-
What makes Phoenix especially stable?
At maximum height, Phoenix shows only ~2 mm horizontal deflection under lateral force—versus ~9 mm typical for similar products.
-
What’s the footprint size?
Footprint: 183×183 mm (profiles), 245×245 mm (bottom plate).
-
What safety features are included?
Safe torque-off, finger-pinch protection, integrated drive.
-
Which applications benefit most?
Palletizing, depalletizing, bin picking, flexible production lines, ergonomic setups.
-
Is Phoenix certified?
Yes, CE-certified and robot brand-certified for plug-and-play integration.
Documents


