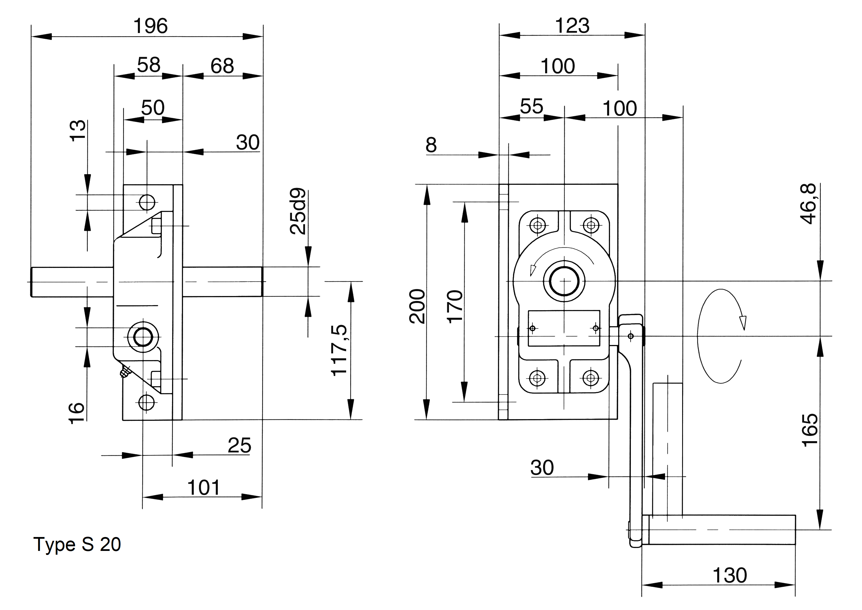
Worm Gear Drive Unit Type S
S20 and S24 Worm Gear Drives are suitable for a large variety of applications in construction for moving or turning loads, as gears for rope drums or chain sprockets or slewing drives.
Need Assistance?
Not sure if this is the right product for your application, or need a custom solution? Contact us today for help from an expert.
Documents

